CN
当前位置: 智能网联汽车  >  团体标准 &规范  > DB31_T 1054-2017 电动汽车无线充电系统 第1部分:技术要求.pdf

DB31_T 1054-2017 电动汽车无线充电系统 第1部分:技术要求.pdf

GRCC  |   2023-03-15  
文档类型:团体标准 &规范   |   格式:pdf   |  总 119| 上传时间: 2023-03-15   |大小:10.16m | 下载量:1
举报
摘要:

试读已结束,如需下载到电脑,请使用下载币( 获取下载币

下载:10.00下载币 收藏
下载:暂无上传网盘
提取码:点击查看
最新上传
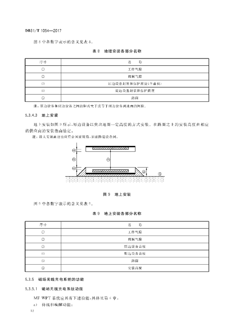
  • / 119
收藏
价格:10.00下载币
分享文档得下载币
点击复制链接(被分享文档2下载币以上)
手机扫码二维码分享得下载币奖励
充值
下载币
扫码加交流群
联系
客服

扫码加交流群

微信服务号

关于我们-网站声明-网站地图-资源地图-友情链接

GRCC 科技文库版权所有.

©Copyright 2007-2022.沪ICP备18036460号-7